+86-0523-83274900
Сторц резьба с муфтой

Сторц резьба с муфтой

Сток -резьбовая связь принадлежит серии связей Storz, с одним концом с изображением внутренний или внешний поток И другой конец имеет Сток-когтяная связь.
Эта связь используется для Подключить пожарные шланги и пожарное оборудование (например, пожарные насосы, пожарные шланги и пожарные гидранты).
Диапазон для производство небольшого размера 20-65.

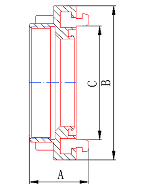
Размеры Ресурсы

Пункт №.

Дин/мм

Диапазон

А/мм

Б/мм

C/мм

KY-M

KY-F

25

1 "

39.7

55

31

40

1,5 "

39.5

79

52

50

2 "

52

98

66

65

2.5 "

52

118

81

80

3 "

55

126

89

100

4 "

60

156

115

110

大 4 "

63

182

133

125

5 "

66

196

148

150

6 "

80

215

160

* Материалы и производственные процессы могут быть настроены по запросу.
* Другие требования (такие как рабочее давление, давление взрыва и т. Д.) Также могут быть настроены по мере необходимости.

Цзянсу Jinding Пожарная защита Technology Co., Ltd.
Jiangsu Jinding Fire Protection Technology Co., Ltd., расположенная в зоне экономического развития Jiang Su Singhua, была основана в 1998 году. Это промышленная компания, интегрирующая дизайн, разработку, производство и продажи. Компания прошла сертификацию системы качества ISO9001: 2015 года и добровольную сертификацию продукции, а соответствующие продукты получили отчет об инспекции Национального центра по надзору и инспекции национального пожарного оборудования.
Наша компания в основном производит несколько серий продукции, включая противопожарные муфты, пожарные стволы, пожарные гидранты, муфты для труб большого диаметра и муфты для систем водоснабжения нефтяных месторождений. Эта продукция широко используется в пожарной безопасности, нефтяной, химической, военной и других отраслях промышленности Сторц резьба с муфтой и другие отрасли.
Компания обладает хорошими независимыми возможностями исследований и разработок и имеет полный набор производственных процессов, таких как производство плесени, обработка производства и тестирование продукта. В то же время предприятие придает значение требованиям клиентов, своевременно охватывает динамику рынка, постоянно разрабатывает и производит новые продукты и завоевывает доверие и похвалу новых и старых клиентов.
Компания обеспечивает надежную Сторц резьба с муфтой и профессиональные услуги, основанные на приверженности качеству и партнерских отношениях, стремясь построить устойчивые отношения сотрудничества с клиентами.
27+

27 лет промышленности Опыт производства

Сертификаты
Новости
Давай поговорим
Просто поздоровайся, и мы начнем плодотворное сотрудничество. Начните свою собственную историю успеха.
Нужно оборудование для вашего бизнеса?
Пусть наша команда предоставит вам пользовательские решения.