+86-0523-83274900
Сток -адаптерные муфты - фланцевые
Дом / Продукт / Адаптеры / Сток -адаптерные муфты - фланцевые

Сток -адаптерные муфты - фланцевые

Адаптерные муфты используются для подключения или преобразования между различными стандартами и типами фитингов. Они позволяют иным образом беспрепятственно подключаться друг к другу.

Адаптерные муфты включают, но не ограничиваются: Немецкий для Сторца (мужчина/женщина), немецкий до лесного хозяйства, немецкий до немецкого самолоки, от немецкого до фланца, немецкого до мульти-зубца, от Storz Male, STORZ, женщины, от лесного хозяйства и т. Д.
Все типы адаптерных муфт могут быть настроены по запросу.

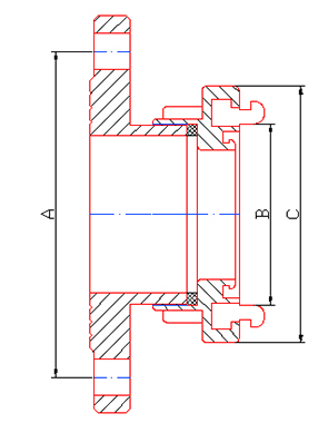
Размеры Ресурсы

Пункт №.

Дин/мм

Диапазон

А/мм

Б/мм

C/мм

/

80

3 "

160

89

126

Small100

4 "

180

115

156

Маленькие 100 (американский стандарт)

4 "

190.5

115

156

Большой 100

4 "

180

133

182

Большой 100 (американский стандарт)

4 "

190.5

133

182

150

6 "

240

160

215

150 (американский стандарт)

6 "

241.3

160

215

200

8 "

295

220

280

200 (американский стандарт)

8 "

298.5

220

280

250

10 "

355

278

339

250 (американский стандарт)

10 "

362

278

339

300

12 "

410

316

384

300 (американский стандарт)

12 "

431.8

316

384

350

14 "

470

366

448

350 (американский стандарт)

14 "

476.3

366

448

* Материалы и производственные процессы могут быть настроены по запросу.
* Другие требования (такие как рабочее давление, давление взрыва и т. Д.) Также могут быть настроены по мере необходимости.

Цзянсу Jinding Пожарная защита Technology Co., Ltd.
Jiangsu Jinding Fire Protection Technology Co., Ltd., расположенная в зоне экономического развития Jiang Su Singhua, была основана в 1998 году. Это промышленная компания, интегрирующая дизайн, разработку, производство и продажи. Компания прошла сертификацию системы качества ISO9001: 2015 года и добровольную сертификацию продукции, а соответствующие продукты получили отчет об инспекции Национального центра по надзору и инспекции национального пожарного оборудования.
Наша компания в основном производит несколько серий продукции, включая противопожарные муфты, пожарные стволы, пожарные гидранты, муфты для труб большого диаметра и муфты для систем водоснабжения нефтяных месторождений. Эта продукция широко используется в пожарной безопасности, нефтяной, химической, военной и других отраслях промышленности Сток -адаптерные муфты - фланцевые и другие отрасли.
Компания обладает хорошими независимыми возможностями исследований и разработок и имеет полный набор производственных процессов, таких как производство плесени, обработка производства и тестирование продукта. В то же время предприятие придает значение требованиям клиентов, своевременно охватывает динамику рынка, постоянно разрабатывает и производит новые продукты и завоевывает доверие и похвалу новых и старых клиентов.
Компания обеспечивает надежную Сток -адаптерные муфты - фланцевые и профессиональные услуги, основанные на приверженности качеству и партнерских отношениях, стремясь построить устойчивые отношения сотрудничества с клиентами.
27+

27 лет промышленности Опыт производства

Сертификаты
Новости
Давай поговорим
Просто поздоровайся, и мы начнем плодотворное сотрудничество. Начните свою собственную историю успеха.
Нужно оборудование для вашего бизнеса?
Пусть наша команда предоставит вам пользовательские решения.